Because there are a lot of questions on how to wire Shelly devices on two way switches, I thought it might be useful to share this. More than that, if you use this on a staircase, for example, you can program the shelly device to turn off lights automatically, after a certain period of time.
So, if you are just planning your electrical wiring, then installing Shelly in a two way switch is straight forward. You don’t even need two way switches. You can just use regular switches or momentary switches and wire them in parallel. The wiring looks like this:

This way you can convert a simple single switch to a two way switching functionality, without using two way switches. If in the above wiring schema you used momentary switches, you have to set the Shelly Button 1 type to Momentary. Otherwise, if you used normal switches, you have to set the Shelly Button type to Edge Switch. You can add as many switches you want, not only two or three.
But, what if you already have a two way switch wiring through your walls and you want to make it smart? Well, that’s quite easy using Shelly 1L.
So, this is your current 2-way wiring scheme:

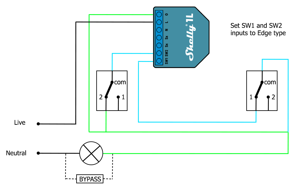
And this is how you should transform it to a Wi-Fi controlled 2-way switch, using Shelly 1L.

As simple as that! Keep in mind that if you keep your current switches, you have to set SW1 and SW2 inputs to Edge type. In this case you can also use standard single way switches. As you can see in the wiring scheme, the second pin of the 2-way switch is not used anymore.
And here are some pictures of how the wiring look after the installation.


